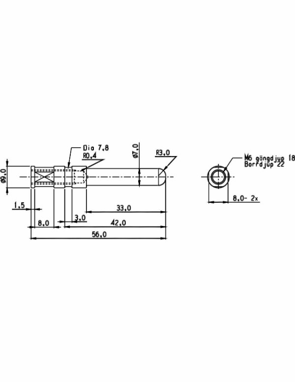
I have made a new brakerod in stainless,that goes into the Rear master cylinder (Brembo PS12)
PART NR 066441300, NR 20 in the link
https://www.ducaticlassics.com/parts/10 ... ake-system
Gängdjup means threaddepth and Borrdjup means drilldepth, in swedish.
A friend of mine made a drawing of the rod if someone wants to make one.
The picture shows the heavily corroded original part and also the new one.
It took me two hours to make it.
Rearbrakerod
If you need technical information or help with your late dry clutch Ducati S2, MHR 900 or Mille engine - post your FAQs, comments & questions here.
Return to “Squarecase Dry Clutch Engines > S2, MHR, 'Mille'”
Jump to
- BevelHeaven Forum Guidelines
- ↳ Read This To Get Your Account Activated
- BevelHeaven Cafe - General Moto Info & Discussion
- ↳ Introduce Yourself
- ↳ The Rumour Mill
- ↳ Events, Shows & News
- ↳ Pit Lane
- ↳ No Ducati Content - Off Topic Chat
- BevelHeaven Restoration Shop - FAQs & Questions Regarding Vintage Ducati Restoration
- ↳ Body, Paint & Rubber Shop
- ↳ Carburettor & Fuel System Shop
- ↳ Chassis & Suspension Shop
- ↳ Electrical & Gauges Shop
- ↳ Engine & Transmission Shop
- ↳ Wheel, Brake & Tyre Shop
- BevelHeaven Garage - FAQs & Questions Regarding Vintage Ducati Engines
- ↳ Single Cylinder Non Bevel Drive Engines > Cucciolo, Scooters, Overhead Valve, 2-Stroke
- ↳ Single Cylinder Bevel Drive Engines > 250, 350 & 450
- ↳ Roundcase Engines > 750 GT, 750 Sport & 750 Super Sport
- ↳ Squarecase Right Hand Gearchange Engines > early 900SS
- ↳ Squarecase Early 860/900 Crossover Gearchange Engines > 860/900 GT
- ↳ Squarecase BOSCH Ignition Engines > SD, SSD Darmah, late 900 SS & 900 GTS
- ↳ Squarecase Dry Clutch Engines > S2, MHR, 'Mille'
- ↳ Parallel Twin Engines > GTL/Sport Desmo 350 & 500
- ↳ 'Straight Head' Pantah Engines [rear exhaust faces forward] > F1, F3, Pantah, TL, XL, TT1, TT2, Al'Azzurra
- ↳ 'Reverse Head' Pantah Engines [rear exhaust faces rearward] > Indiana, Elefant, Paso 350/750, 750 Sport & SS, Monster 600/750
- ↳ 900 Paso Engines > Paso 906/907ie, Elefant, Sport. SS, Monster, ST2
- ↳ 4 Valve Engines > 851, 888, 748, 916......
- BevelHeaven Gallery - Photos & Videos of DUCATI things. <Post Your Projects Here>
- ↳ < Click HERE for Instructions on Posting Pictures >
- ↳ Moto Photos / Photography
- ↳ Art Duck-Oh Gallery
- ↳ Single Cylinder Photo Gallery
- ↳ Bevel Head Twins Photo Gallery
- ↳ Parallel Twins Photo Gallery
- ↳ Pantah Head Photo Gallery
- ↳ Racebike Photo Gallery
- ↳ Everything Else Ducati.......
- ↳ Italian Bike [non-Ducati] Photo Gallery
- ↳ Magazine Articles
- ↳ Videos etc - DUCATI related
- BevelHeaven Classifieds - Vintage Italian 'For Sale' & 'Wanted' Ads
- ↳ Single Cylinder Ducati
- ↳ Parallel Twins
- ↳ Bevel Drive Twins
- ↳ Pantah Twins
- ↳ Modern Twins
- ↳ Other Italian Brands
- BevelHeaven Sponsors - How To Support This Place To Keep The Lights On
- ↳ How To Support This Place
- ↳ Bevel Heaven - Ducati Restoration Parts & Accessories
- BevelHeaven.com eStore & Website Happenings
- ↳ Forum Questions/Problems/Info
- ↳ BevelHeaven.com Goods & Services